

MVF-4 Rod End
The Behemoth MVF-4 spherical rod end is used through the Behemoth Product catalog, and may be assembled to a rod, pipe, tube or cable connecting linkage to allow misalignment between two moving points.
Ball Specifications: Made from low carbon steel, and surface hardened for wear resistance and plated for corrosion resistance.
Housing Specifications: Made from low carbon steel, plated and dichromate treated for corrosion resistance.
Bearing Race: The MVF-4 features a bronze bearing race.
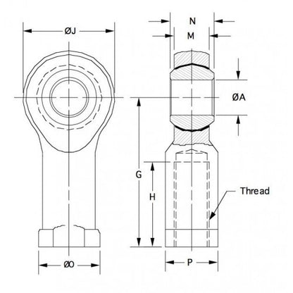
Thread Specifications: The threaded mounting hole on the MVF-4 is 1/4-28 fine thread, in right hand.
Blueprint Callouts (see print image):
|
Threads |
Stud Included |
Plating |
A |
G |
H |
J |
M |
N |
O |
P |
|---|---|---|---|---|---|---|---|---|---|---|
|
1/4-28 RH |
no |
Zinc Yellow |
0.251 |
1.312 |
0.750 |
0.750 |
0.281 |
0.375 |
0.469 |
0.375 |
Engineering and Compatibility Support: Have questions about compatibility or specific technical questions for your build? Give our team a call at (855) 928-1984 and one of our staff engineers will gladly help step you through aspect of compatibility and the build process you need.
WHOLESALE BUILDERS PROGRAM: Are you a vehicle builder or design/fab shop? We have a wholesale program just for builders! Click HERE to get more info on our wholesale program and receive discounts off retail, additional engineering support, custom options, cash back and more.
Pairs well with

MVF-4 Rod End
